由于各国汽车电路图的绘制方法、符号标注、文字标注、威廉希尔官方网站
标准不同,各汽车生产厂家绘制的汽车电路图有很大差异,因此,阅读不同系列的汽车电路图前需要了解电路图的特点,掌握汽车电路图识读的基本方法。
2023-09-09 09:16:14
406 
电动机控制电路图讲解\电动机控制电路原理图讲解分享给大家,电路图识读能力是电气专业必备技能之一,控制电路图,是继电控制回路在安装、调试、维修、维护等过程中,需熟练掌握的基础知识。
2023-07-14 09:17:45
1042 
汽车电路图是一个表示汽车电气系统中所有电子元件及其连接方式的图表。读懂汽车电路图需要了解一些基本的电子符号和术语。以下是一些基本步骤,可以帮助你识读汽车电路图。
2023-06-26 10:01:16
603 电气控制系统是由电气设备及电气元件按照一定的控制要求连接而成。电气控制系统中的基本电路包括电机(电动机和发电机)的启动、调速和制动等控制电路。
常用的电气控制系统图有3种:电路图(电气系统图、原理图、线路图)、接线图和元件布置图。
2023-06-08 15:30:53
0 主要是温度控制系统的电路原理图纸
2022-09-07 11:49:00
3 单片机温度控制系统电路图
2008-10-16 10:06:57
本文主要介绍关于电气控制电路图识读的方法,以及具体各个部分的规则要求。主要介绍有:(1)电气控制电路图的分类与概述绘制(2)电气原理图的基本规则(3)电路编号及图区划分(4)电器元件符号位置的索引(5)电器元件布置图(7)电器元件布置图设计原则(8)电气安装接线图(9)绘制电气安装图的主要原则
2021-10-22 13:05:59
35 本文档的主要内容详细介绍的是如何使用51单片机实现恒温控制系统的电路图免费下载。
2020-02-27 08:00:00
3 本文档的主要内容详细介绍的是开关控制LED的仿真电路图免费下载。
2020-01-03 15:21:08
7 电子元器件是组成各种电子线路及设备的基本单元,熟悉电子元器件的电路符号是识读电路图的基本要求。
2019-09-13 17:11:00
7236 
一个LED闪烁电路设计实例(BOM和电路图内详)
2019-07-02 11:40:48
8537 本文介绍了五款thx203h开关电路图。THX203H 开关电源控制器集成电路,在85V-265V的宽电压范围内提供高达12W的连续输出功率,峰值输出功率更可以达到18W。
2018-05-10 10:40:54
66804 
THX203恒压电源芯片电路图方案详细说明
LED电源芯片,电源管理芯片方案电路图设计
2018-04-26 15:17:45
60 单片机控制系统键盘显示电路设计
2017-01-23 20:48:16
23 本文为你提供十多种常用led驱动电路图、led驱动电路原理图。包括并行LED数码管静态显示电路(共阳)、6B595驱动的LED显示电路设计(共阳)、串行LED数码管动态扫描显示电路(共阴)、74HC164驱动的LED显示电路设计(共阴)等等。
2016-08-04 17:17:01
19361 
汽车电路图识读,汽车电路图,汽车电路标识。
2016-05-04 17:06:12
69 紧扣“怎样识读电子电路图”的主题,系统地介绍了看懂电路图所必须掌握的基础知识和基本方法,并通过具体的电路实例对常用电路进行了具体分析。内容包括电路图的构成要素、电路图符号、电路图的一般画法规则、各种元器件的特点与作用、分析电路图的基本方法与步骤、集成电路和数字电路的看图方法、单元电路的分析方法等。
2016-04-25 17:40:36
19 紧扣“怎样识读电子电路图”的主题,系统地介绍了看懂电路图所必须掌握的基础知识和基本方法,并通过具体的电路实例对常用电路进行了具体分析。内容包括电路图的构成要素、电路图符号、电路图的一般画法规则、各种元器件的特点与作用、分析电路图的基本方法与步骤、集成电路和数字电路的看图方法、单元电路的分析方法等。
2016-04-25 17:40:36
17 汽车电路中有关于电路的学习与电路图电子元件的识读
2016-02-19 17:26:44
13 供电系统电路图,PWR电路电路图、LED指示&键盘控制电路图!
2015-12-14 15:06:11
10 车窗防夹功能是车门控制系统的难点之一。门控系统具有多种故障诊断能力,能够及时识别出短路、断路、过热、过载等故障。
2015-11-23 14:40:26
51570 以下介绍单片机最小系统电路设计,单片机最小系统主要由电源、复位、振荡电路以及扩展部分组成。对于一个完整的电子设计来讲,首要问题就是为整个系统提供电源供电模块,电源模块的稳定可靠是系统平稳运行的前提和基础。
2015-11-06 11:02:33
23874 温度控制系统被广泛应用于工业、农业、医疗等行业的仪器设备中,目前应用最多的是单片机或微机系统设计的温度控制系统。系统硬件部分由输人输出接口、中央处理单元、A/D 转换、定时计数等集成模块组成,系统软件部分需要用运算量大的PID算法编程实现,整套控制系统设计及实现较为复杂和繁琐。
2015-10-30 11:19:46
20603 继电器是一种电子控制器件,它具有控制系统(又称输入回路)和被控制系统(又称输出回路),通常应用于自动控制电路中,它实际上是用较小的电流去控制较大电流的一种“自动开关”。故在电路中起着自动调节、安全保护、转换电路等作用。
2015-09-15 10:59:35
33640 随着汽车工业的发展,汽车上的电子控制系统数量呈指数增长,以ECU为核心的车载电子控制系统逐步取代了被动器件和机械系统,同时也完成了大多数测量、驱动和控制的功能。##随着汽车工业的发展,汽车上的电子
2015-08-13 15:07:53
29098 本文讨论了几种单片机I/O的常用驱动和耦合电路的设计方法,对合理地设计电气控制系统,提高电路的接口能力,增强系统稳定性和抗干扰能力有实际指导意义。
2015-08-05 10:58:31
5917 放大器是能把输入讯号的电压或功率放大的装置,由电子管或晶体管、电源变压器和其他电器元件组成。用在通讯、广播、雷达、电视、自动控制等各种装置中。跨阻抗放大器应用电路设计精华剖析,详解介绍了多种放大器电路设计与原理分析。
2015-08-04 11:25:37
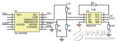
15862 本文介绍了一种基于恒流驱动电路LM3402的LED调光控制系统,该系统由微处理器P89LPC932 PWM控制输出电压,用户可通过按钮设定亮度。由于采用了低功耗微处理器,并应用多种节能方法,使得该调光系统的功耗极低。
2015-07-30 14:46:29
9049 智能安防太阳能路灯控制系统都是独立光伏控制系统,主要由六个部分组成:太阳能电池、蓄电池、LED 路灯、控制器、充电电路、放电/负载驱动电路。
2015-07-24 10:52:29
3883 本文主要介绍了ARM光学指纹识别系统、MBF200固态指纹传感器、FPS200固体指纹识别传感器以及8051指纹识别系统电路设计,侧重于电路路原理分析与过程详解,以供读者品读。
2015-07-10 14:07:17
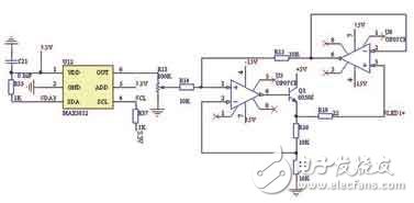
26763 本文详细的解析了高电压脉冲宽度调制(PWM)LED驱动器控制器电路图,LED器件对驱动电源的要求近乎于苛刻,LED不像普通的白炽灯泡,可以直接连接220V的交流市电。
2015-07-03 11:50:08
8595 在电路设计中涉及到电源部分的设计,关于电源芯片的选型是个很重要的问题。很多人知道用三端稳压集成电路LM7805,因为这种电源芯片用得最多,电路应用范例也成熟。
2015-06-02 11:03:45
46464 本系统是基于红外和GSM 网络的用于智能家居环境中的一种远程自动控制系统,系统安全可靠,性能稳定。同时本系统除用于家庭设备远程自动控制外,也可用于家庭通信、家庭安全防范,共同组建智能家居控制系统。
2015-05-28 11:36:25
16145 包含了智能电动平衡车电路、采用MSP430的机器人定位系统电路、多路舵机控制电路等智能硬件电路设计,以供读者品读。
2015-05-08 15:06:26
13659 LED照明调控系统由遥控器和大功率LED调光器组成,双方通过内置RF4CE协议的CC2530模块实现无线连接。
2015-05-07 11:21:50
6424 在无人机飞行控制系统中,飞行控制器是其核心部件,它负责飞行控制系统信号的采集、控制律的解算、飞机的姿态和速度,以及与地面设备的通讯等工作。
2015-04-21 11:22:53
3782 本文专门对驱动LED串的升压转换器进行了理论分析,激发这项研究的是稳定汽车应用背光驱动器环路的需求。
2015-04-14 16:08:10
9042 本文介绍了TDA7513的射频电路设计方法,根据实际设计经验提出了提高射频电路EMC特性和噪声特性的设计方法和措施,并指出了射频电路性能测试的注意要点。
2015-03-30 13:49:30
7328 低压便携设备LED驱动电路设计攻略,着重介绍半导体采用不同拓扑结构、用于低压便携设备背光或指示器应用的各种白光或RGB LED驱动器.
2015-03-27 12:40:12
14275 本文着重介绍了半导体采用不同拓扑结构、用于低压便携设备背光或指示器应用的各种白光或RGB LED驱动器,以及集成了多种功能的照明管理集成电路和针对扣式电池优化了的 LED驱动器,方便工程师结合具体应用选择适合的产品。
2015-03-23 14:24:42
2500 以家为平台,利用计算机威廉希尔官方网站
、数字威廉希尔官方网站
、网络通信威廉希尔官方网站
和综合布线威廉希尔官方网站
,将与家庭生活密切相关的防盗报警系统、家电控制系统、网络信息服务系统等各子系统有机的结合在一起。
2015-02-05 15:34:55
12427 此系统利用普通电力线传输控制信号实现对灯的智能控制,按装发送控制模块,就能轻松实现智能化。
2015-01-15 15:46:52
3759 介绍了机器视觉系统中PWM/电压输出电路、I\O 口电路与QEP 电路设计,使得开发人员可以通过电路介绍将数字威廉希尔官方网站
与摄像头、传感器、电机和其他外设集成来轻松构建 3D 点云。
2015-01-06 11:22:40
6932 本文提出了通过远程电话实现智能家电控制系统的一种实现方案。介绍了家电和电话之间的控制接口电路, 讨论了系统结构及硬件设计。
2015-01-04 10:07:04
7719 机械手的三块控制器的控制芯片都为2407DSP,虽然三块控制器实现的功能不同,但在硬件电路设计时按照DSP 管脚的功能,设计外围电路如下。
2014-12-31 10:29:13
7946 智能照明控制系统应用电路单独使用微电脑时控开关时,一旦在供电时间范围以外出现阴天光照暗的情况。需要提供照明时,因不在供电时间范围内,无法提供照明。
2014-12-26 10:00:02
23081 智能照明系统设计分为主控模块、从控模块和照度传感器模块三部分。其中从控模块可以设置多个地址,主控模块和传感器模块发出地址控制指令,具有相同地址的接收模块根据指令作出响应,打开或关闭灯光。
2014-12-24 11:01:56
17783 
本文介绍了基于单片机AT89C51的室内灯光控制系统及其原理,提出了有效的节能控制方法。该系统采用了当今比较成熟的传感威廉希尔官方网站
和计算机控制威廉希尔官方网站
,利用多参数来实现对学校教室室内照明的控制。
2014-12-22 10:34:40
8962 本文通过对传统的家庭照明系统、电扇和电视机进行改造, 使其成为具语音识别功能的智能家电,由于条件限制此次设计的智能控制系统由驱动LED显示来进行仿真实现。
2014-12-15 10:30:52
8034 智能型电缆测试系统采用单片机和工控机相结合的方案实现了, 经实际测试。详细说明了基于单片机的硬件电路设计原理和工程应用方案 。 绝缘关系的测试电缆测试系统达到了设计要求,大幅度提高了洲试的效率和准确性。
2014-12-09 10:37:50
2294 LED 驱动电路除了要满足安全要求外,另外的基本功能应有两个方面,一是尽可能保持恒流特性,尤其在电源电压发生±15%的变动时,仍应能保持输出电流在±10%的范围内变动。二是驱动电路应保持较低的自身功耗,这样才能使LED 的系统效率保持在较高水平。
2014-09-09 12:03:22
29726 身高体重测量器控制系统电路图如下图所示:
2012-07-19 09:53:52
5343 
MCU控制系统电路原理图如下图所示:
2012-07-11 14:50:51
9915 
在本专题的《LED应用电路图精彩汇总》中,电子发烧友网将为大家奉上LED点击率最高电路图、经典原理图、LED散热电路图和热门LED电路图,以期在进行LED电路设计时有参考借鉴意义。
2012-06-21 17:04:50

自动温度控制系统硬件电路图详见下图:
2012-05-30 17:06:21
15027 
《怎样识读电子电路图》紧扣怎样识读电子电路图的主题,系统地介绍了看懂电路图所必须掌握的基础知识和基本方法,并通过具体的电路实例对常用电路进行了具体分析。内容包括电
2012-03-31 14:17:46
919 为了缩短转台伺服控制系统的开发周期和提高系统的可靠性,提出了以永磁同步电机为执行机构、以IRMCK203为伺服控制器的设计方案,并以智能功率模块PS21867和IRMCK203为核心进行了控制
2011-10-09 10:31:17
77 现代索纳塔轿车巡航控制系统电路图和原理图全集。
2011-05-16 10:07:07
4547 
白色LED光源电路设计研究
摘要:通过对新型半导体光源-白色LED 的基本电性能的初步研究,提出白色LED 光源电路设计原则及注意事项,并阐述了用于太阳能的白
2010-06-04 15:58:27
23 教您识读电路图
2010-03-31 10:36:29
273 现代索那塔轿车巡航控制系统电路图
2009-11-20 15:52:42
500 串口控制的LED灯电路图
2009-11-13 09:04:16
5136
LED驱动电路图
2009-07-18 11:33:51
2115 
获得静止影像的控制系统实例电路图
2009-07-14 17:17:16
278 
冷端补偿器PCS203型的电路图
2009-07-08 11:45:27
686 
南顺AYE-203B多功能食品加工机电路图
2009-06-09 13:33:42
530 
自动照度控制系统电路图
2009-05-30 14:02:55
390 
温度控制系统电路图、PCB和原理图(protel文档)
2009-05-25 23:09:42
784
磁盘,磁带机相位调制回读系统电路图
2009-03-24 08:41:14
629 
注塑机单片控制系统电路图
表3-1注塑
2008-11-20 01:24:15
7006 美国车系电路图的识读方法
法国车系电路图的识读方法
日本车系电路图的识读方法
大众车系电路图的识读方法
2008-08-04 20:22:10
522
LED驱动电路图(6个LED)
LED驱动电路图(24个LED)
2008-07-08 11:08:25
2904 
交通灯控制系统电路图
2008-05-22 09:36:12
4840 
评论