三端稳压集成电路LM7805。电子产品中,常见的三端稳压集成电路有正电压输出的lm78 ×× 系列和负电压输出的lm79××系列。顾名思义,三端IC是指这种稳压用的集成电路,只有三条引脚输出,分别是输入端、接地端和输出端。它的样子象是普通的三极管,TO- 220 的标准封装,也有lm9013样子的TO-92封装。
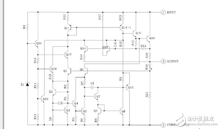
lm7805内部电路图
7805三端稳压IC内部电路具有过压保护、过流保护、过热保护功能,这使它的性能很稳定。能够实现1A以上的输出电流。器件具有良好的温度系数,因此产品的应用范围很广泛。可以运用本地调节来消除噪声影响,解决了与单点调节相关的分散问题,输出电压误差精度分为±3%和±5%。

图7805三端稳压IC内部电路图
7805三端稳压IC在电路运用中应注意以下事项:
输入输出压差不能太大,太大则转换效率急速降低,而且容易击穿损坏。最高输入电压不能超过35伏; 输出电流不能太大,1.5A 是其极限值。大电流的输出,散热片的尺寸要足够大,否则会导致高温保护或热击穿; 输入输出压差也不能太小,低于2伏稳压效率急速下降。
电子发烧友App































评论